KIPiA
Калькуляторы
Калькулятор термопар
Калькулятор термосопротивлений
Калькулятор ПМТ
Калькулятор шкала-сигнал
Калькулятор сопротивления проводника
Калькулятор NTC
Калькулятор карбонового греющего кабеля
Калькулятор цветовой маркировки резисторов
КИП
Все приборы
По наименованию
По заводу-изготовителю
По технологическому параметру
Заметки
Документация
Другое
Главная страница
Не указан
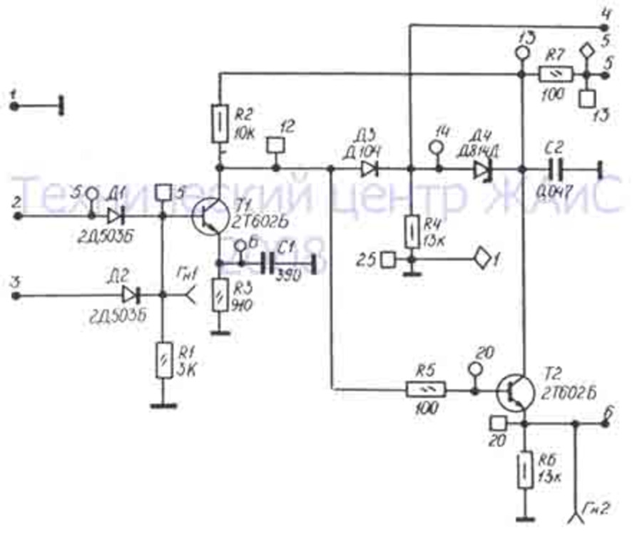
С1-83
s183_kipia_xyz_2611
С1-83 Схемы - просмотр
Вернуться к странице файла
Скачать текущую страницу (png)
Страница 5 из 14
Назад
4
5
6
Далее