KIPiA
Калькуляторы
Калькулятор термопар
Калькулятор термосопротивлений
Калькулятор ПМТ
Калькулятор шкала-сигнал
Калькулятор сопротивления проводника
Калькулятор NTC
Калькулятор карбонового греющего кабеля
Калькулятор цветовой маркировки резисторов
КИП
Все приборы
По наименованию
По заводу-изготовителю
По технологическому параметру
Заметки
Документация
Другое
Главная страница
Не указан
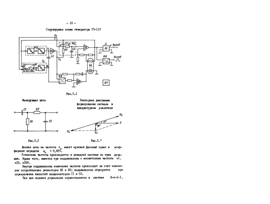
Г3-113
g3113_kipia_xyz
Г3-113 Техническое описание и инструкция по эксплуатации 3.265.027 ТО 1988 г. - просмотр
Вернуться к странице файла
Скачать текущую страницу (png)
Страница 11 из 70
Назад
10
11
12
Далее