KIPiA
Калькуляторы
Калькулятор термопар
Калькулятор термосопротивлений
Калькулятор ПМТ
Калькулятор шкала-сигнал
Калькулятор сопротивления проводника
Калькулятор NTC
Калькулятор карбонового греющего кабеля
Калькулятор цветовой маркировки резисторов
КИП
Все приборы
По наименованию
По заводу-изготовителю
По технологическому параметру
Заметки
Документация
Другое
Главная страница
Не указан
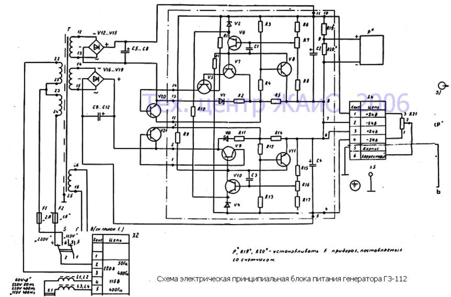
Г3-112, Г3-112/1
g3112_g31121_kipia_xyz_51...
Г3-112, Г3-112/1 Схемы электрические принципиальные - просмотр
Вернуться к странице файла
Скачать текущую страницу (png)
Страница 2 из 4
Назад
1
2
3
Далее