KIPiA
Калькуляторы
Калькулятор термопар
Калькулятор термосопротивлений
Калькулятор ПМТ
Калькулятор шкала-сигнал
Калькулятор сопротивления проводника
Калькулятор NTC
Калькулятор карбонового греющего кабеля
Калькулятор цветовой маркировки резисторов
КИП
Все приборы
По наименованию
По заводу-изготовителю
По технологическому параметру
Заметки
Документация
Другое
Главная страница
Не указан
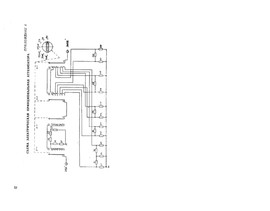
Г3-109
g3109_kipia_xyz
Г3-109 Техническое описание и инструкция по эксплуатации (1981 г.) - просмотр
Вернуться к странице файла
Скачать текущую страницу (png)
Страница 52 из 90
Назад
51
52
53
Далее