KIPiA
Калькуляторы
Калькулятор термопар
Калькулятор термосопротивлений
Калькулятор ПМТ
Калькулятор шкала-сигнал
Калькулятор сопротивления проводника
Калькулятор NTC
Калькулятор карбонового греющего кабеля
Калькулятор цветовой маркировки резисторов
КИП
Все приборы
По наименованию
По заводу-изготовителю
По технологическому параметру
Заметки
Документация
Другое
Главная страница
Не указан
УТ05-60
ut0560_kipia_xyz_0956
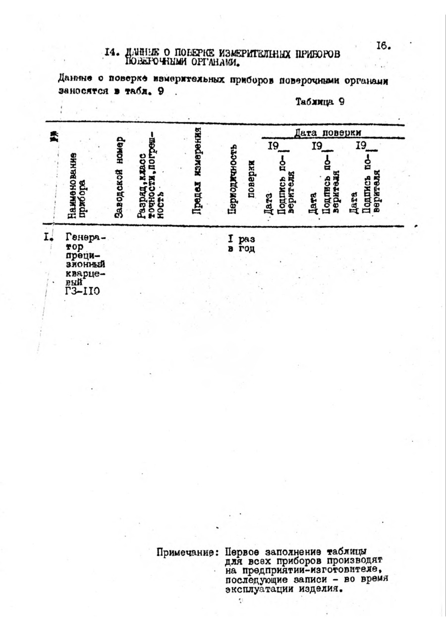
УТ05-60 Хд2.780.000 ФО. Формуляр - просмотр
Вернуться к странице файла
Скачать текущую страницу (png)
Страница 16 из 16
Назад
15
16
Далее