KIPiA
Калькуляторы
Калькулятор термопар
Калькулятор термосопротивлений
Калькулятор ПМТ
Калькулятор шкала-сигнал
Калькулятор сопротивления проводника
Калькулятор NTC
Калькулятор карбонового греющего кабеля
Калькулятор цветовой маркировки резисторов
КИП
Все приборы
По наименованию
По заводу-изготовителю
По технологическому параметру
Заметки
Документация
Другое
Главная страница
ОАО "МНИПИ"
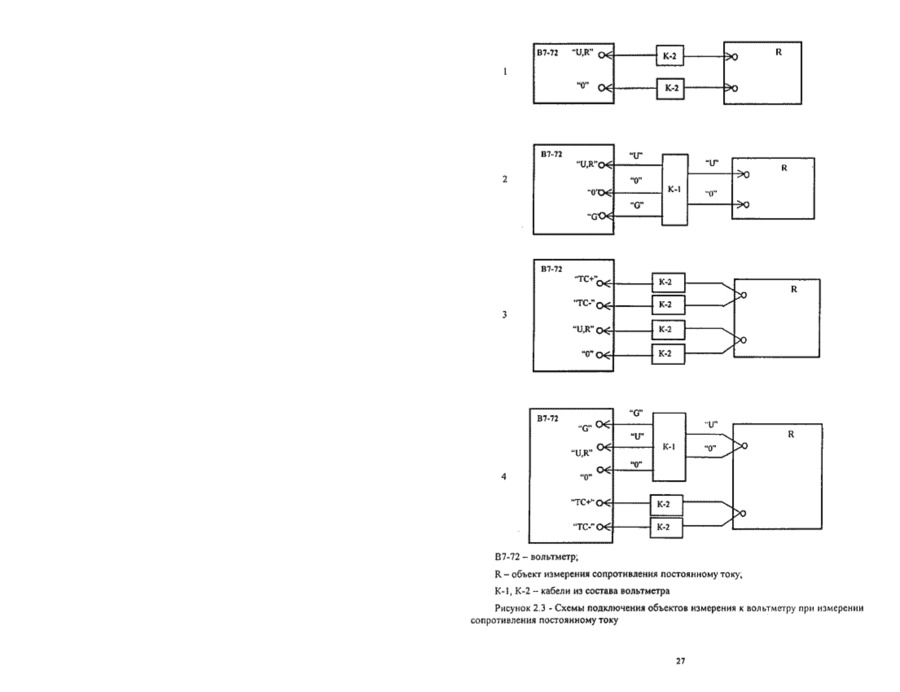
В7-72
v772_kipia_xyz
В7-72 Руководство по эксплуатации (вариант 1) - просмотр
Вернуться к странице файла
Скачать текущую страницу (png)
Страница 27 из 62
Назад
26
27
28
Далее