KIPiA
Калькуляторы
Калькулятор термопар
Калькулятор термосопротивлений
Калькулятор ПМТ
Калькулятор шкала-сигнал
Калькулятор сопротивления проводника
Калькулятор NTC
Калькулятор карбонового греющего кабеля
Калькулятор цветовой маркировки резисторов
КИП
Все приборы
По наименованию
По заводу-изготовителю
По технологическому параметру
Заметки
Документация
Другое
Главная страница
Не указан
М416
m416_kipia_xyz
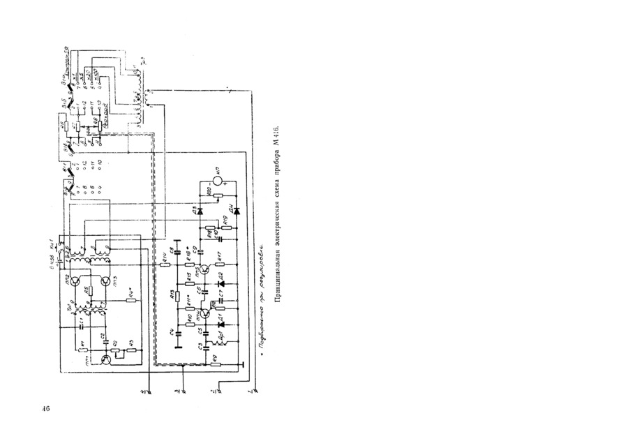
М416 Паспорт, техническое описание и инструкция по эксплуатации - просмотр
Вернуться к странице файла
Скачать текущую страницу (png)
Страница 16 из 19
Назад
15
16
17
Далее