KIPiA
Калькуляторы
Калькулятор термопар
Калькулятор термосопротивлений
Калькулятор ПМТ
Калькулятор шкала-сигнал
Калькулятор сопротивления проводника
Калькулятор NTC
Калькулятор карбонового греющего кабеля
Калькулятор цветовой маркировки резисторов
КИП
Все приборы
По наименованию
По заводу-изготовителю
По технологическому параметру
Заметки
Документация
Другое
Главная страница
Не указан
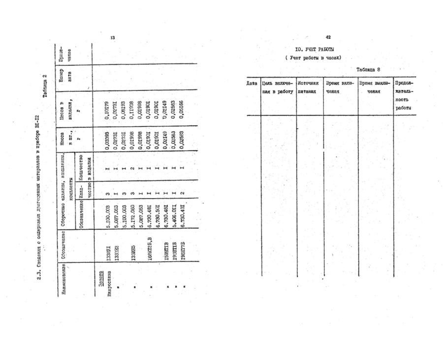
В1-12
v112_kipia_xyz_5926
В1-12 Формуляр - просмотр
Вернуться к странице файла
Скачать текущую страницу (png)
Страница 15 из 29
Назад
14
15
16
Далее