KIPiA
Калькуляторы
Калькулятор термопар
Калькулятор термосопротивлений
Калькулятор ПМТ
Калькулятор шкала-сигнал
Калькулятор сопротивления проводника
Калькулятор NTC
Калькулятор карбонового греющего кабеля
Калькулятор цветовой маркировки резисторов
КИП
Все приборы
По наименованию
По заводу-изготовителю
По технологическому параметру
Заметки
Документация
Другое
Главная страница
Не указан
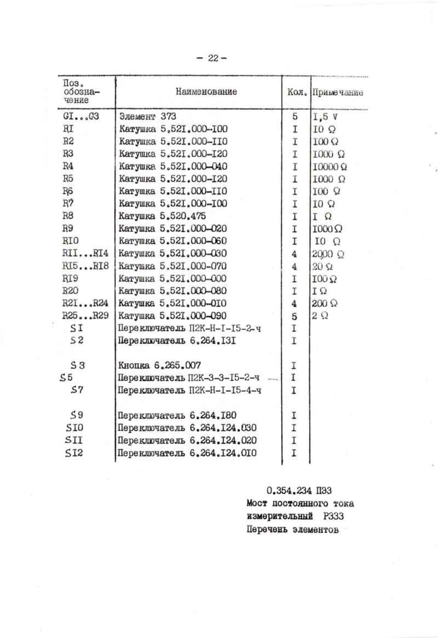
Р333
r333_kipia_xyz
Р333 Техническое описание и инструкция по эксплуатации - просмотр
Вернуться к странице файла
Скачать текущую страницу (png)
Страница 21 из 25
Назад
20
21
22
Далее