KIPiA
Калькуляторы
Калькулятор термопар
Калькулятор термосопротивлений
Калькулятор ПМТ
Калькулятор шкала-сигнал
Калькулятор сопротивления проводника
Калькулятор NTC
Калькулятор карбонового греющего кабеля
Калькулятор цветовой маркировки резисторов
КИП
Все приборы
По наименованию
По заводу-изготовителю
По технологическому параметру
Заметки
Документация
Другое
Главная страница
ООО НПП "Системы контроля...
Термодат-16М6
termodat_16m6-kipia_xyz
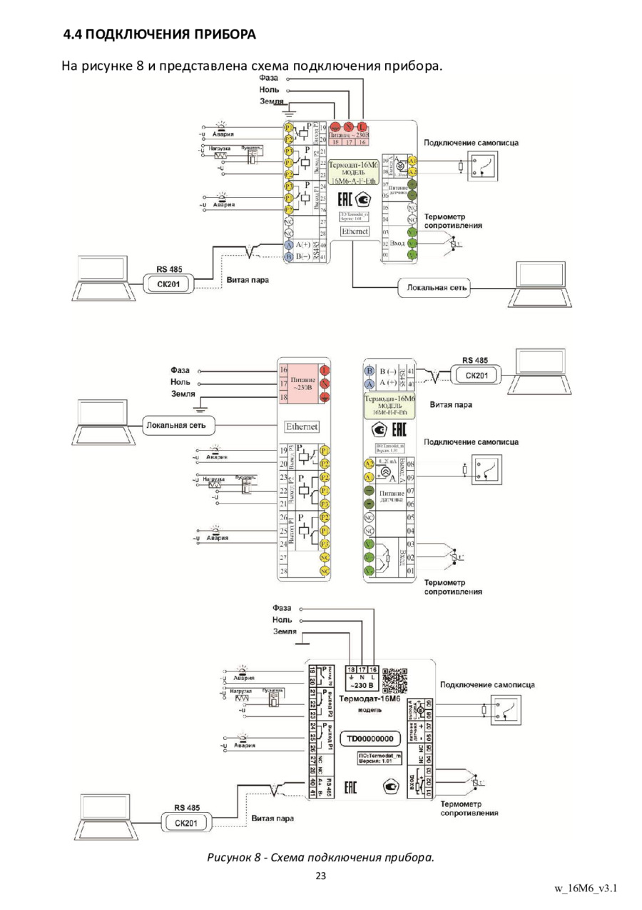
Термодат-16М6 Руководство пользователя (новые модели с маркировкой вида: 16М6-А-F-Eth-24В) - просмотр
Вернуться к странице файла
Скачать текущую страницу (png)
Страница 23 из 26
Назад
22
23
24
Далее