KIPiA
Калькуляторы
Калькулятор термопар
Калькулятор термосопротивлений
Калькулятор ПМТ
Калькулятор шкала-сигнал
Калькулятор сопротивления проводника
Калькулятор NTC
Калькулятор карбонового греющего кабеля
Калькулятор цветовой маркировки резисторов
КИП
Все приборы
По наименованию
По заводу-изготовителю
По технологическому параметру
Заметки
Документация
Другое
Главная страница
ООО "ТЕПЛОПРИБОР-СЕНСОР"
Диск-250
rukovodstvo_po_remontu-ki...
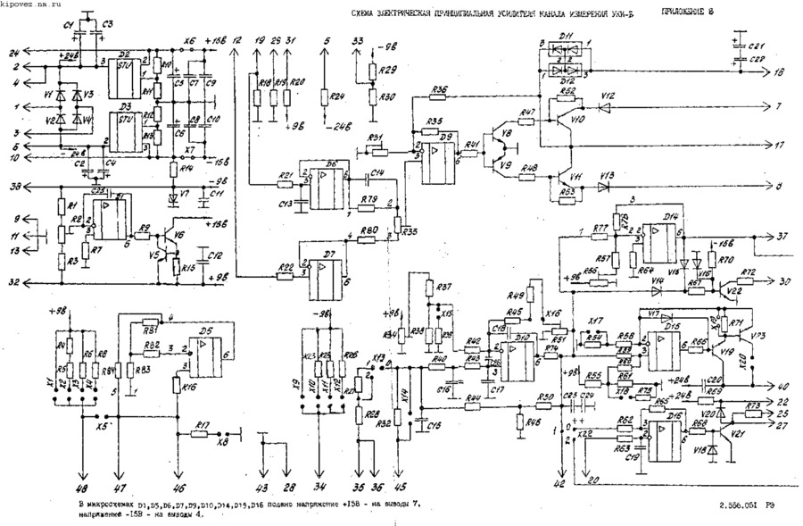
Диск-250 Руководство по среднему ремонту 250, 250И (СССР) - просмотр
Вернуться к странице файла
Скачать текущую страницу (png)
Страница 33 из 38
Назад
32
33
34
Далее